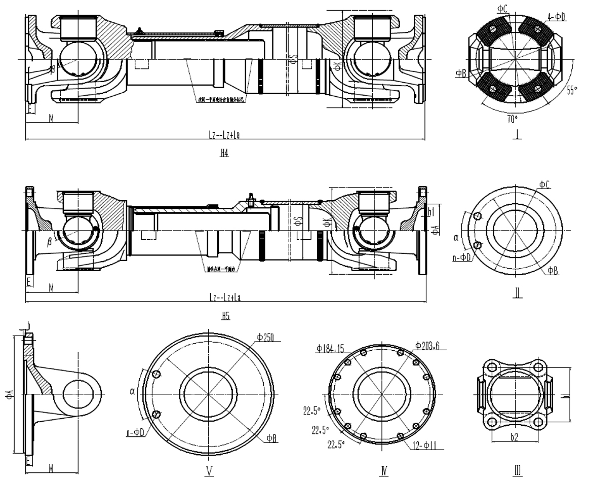
结构组成
1.突缘叉,2.万向节总成,3.卡簧,4.滑动叉,5.油杯,6.护套管,7.花键轴,8.轴管,9.万向节叉
产物特点
1.组装后,通过滑动叉和花键轴组成的花键副,传动轴可以滑动伸缩,有一定的伸缩量。
2.该结构为轻、中型系列传动轴;突缘叉法兰以方盘为主,凭据客户要求亦可以为圆盘、端齿。
3.传动轴长度凭据客户要求加工。
轻、中型伸缩式转动轴结构参数图

轻、中型伸缩式转动轴结构参数
|
|
Tsmax(N.m) |
A |
h |
h1 |
B |
n-ΦD |
C |
α |
b1 |
b2 |
E |
M |
K |
S |
β |
Lz |
La |
结构 |
法兰 |
万向节尺寸 |
|
1-1 |
1600 |
60 |
2 |
|
80 |
4-Φ10.2 |
|
|
50 |
|
7.5 |
41 |
100 |
50 |
22° |
225 |
20 |
H1、H2 |
Ⅱ |
Φ30×88(60) |
|
1-2 |
1600 |
60 |
2 |
|
80 |
4-Φ10.2 |
|
|
50 |
|
7.5 |
41 |
100 |
50 |
22° |
390 |
60 |
H1、H2 |
Ⅱ |
Φ30×88(60) |
|
1-3 |
1600 |
57 |
|
5 |
84 |
6-Φ8.5 |
100 |
60 |
|
|
12 |
65 |
100 |
50 |
22° |
273 |
20 |
H1、H2 |
Ⅰ |
Φ30×88(60) |
|
1-4 |
1600 |
70 |
2.5 |
|
108 |
6-Φ13 |
132 |
60 |
|
|
12 |
65 |
100 |
50 |
22° |
273 |
20 |
H1、H2 |
Ⅰ |
Φ30×88(60) |
|
1-5 |
2500 |
70 |
2.5 |
|
96 |
4-Φ12.2 |
|
|
62 |
|
9 |
50 |
110 |
76 |
15° |
380 |
60 |
H2 |
Ⅱ |
Φ32×93 |
|
1-6 |
2500 |
60 |
2.5 |
|
92 |
4-Φ11.2 |
|
|
|
70 |
8 |
40 |
110 |
63.5 |
15° |
360 |
60 |
H2 |
Ⅱ |
Φ32×93 |
|
1-7 |
2500 |
57 |
|
5 |
84 |
6-Φ8.5 |
100 |
60 |
|
|
12 |
72 |
|
63.5 |
15° |
424 |
60 |
H2 |
Ⅰ |
Φ32×93 |
|
1-8 |
3000 |
80 |
2 |
|
|
4-Φ12.2 |
|
|
58.778 |
80.902 |
9 |
55 |
115 |
76 |
25° |
450 |
60 |
H2 |
Ⅱ |
Φ33×93 |
|
1-9 |
3000 |
95 |
2.5 |
|
120 |
4-Φ14.5 |
|
40° |
|
|
12 |
55 |
115 |
89 |
25° |
450 |
60 |
H2 |
Ⅱ |
Φ33×93 |
|
1-10 |
3200 |
70 |
2.5 |
|
96 |
4-Φ12.2 |
|
|
62 |
|
9 |
50/60 |
118 |
76 |
25° |
450 |
60 |
H2 |
Ⅱ |
Φ35×98 |
|
1-11 |
3200 |
ISO-12667-T120 |
100 |
4-Φ12 |
120 |
|
|
|
13 |
54.5 |
118 |
76 |
25° |
450 |
60 |
H2 |
Ⅲ |
Φ35×98 |
||
|
1-12 |
3200 |
75 |
|
3 |
101.5 |
8-Φ10.1 |
120 |
45° |
|
|
10.5 |
80 |
118 |
76 |
25° |
500 |
60 |
H2 |
Ⅰ |
Φ35×98 |
|
1-13 |
5000 |
95 |
2.5 |
|
120 |
4-Φ14.5 |
|
40° |
|
|
12 |
62 |
130 |
89 |
25° |
450 |
60 |
H3 |
Ⅱ |
Φ35×107 |
|
1-14 |
6500 |
95 |
2.5 |
|
120 |
4-Φ14.5 |
|
40° |
|
|
12 |
62 |
142 |
89 |
25° |
490 |
70 |
H3 |
Ⅱ |
Φ39×118 |
|
1-15 |
6500 |
ISO-12667-T120 |
100 |
4-Φ11 |
120 |
|
|
|
14 |
67.5 |
142 |
89 |
25° |
490 |
70 |
H3 |
Ⅲ |
Φ39×118 |
||
|
1-16 |
6500 |
90 |
|
3 |
130 |
8-Φ12.1 |
150 |
45° |
|
|
11 |
78 |
142 |
89 |
25° |
380 |
40 |
H3 |
Ⅰ |
Φ39×118 |
|
1-17 |
7500 |
90 |
|
3 |
130 |
8-Φ12.1 |
150 |
45° |
|
|
11 |
78 |
142 |
89 |
25° |
380 |
40 |
H2 |
Ⅰ |
Φ41×118 |
|
1-18 |
8500 |
95 |
2.5 |
|
130 |
6-Φ14.5 |
150 |
42° |
|
|
10 |
90 |
156 |
89 |
25° |
590 |
80 |
H2 |
Ⅰ |
Φ48×127 |
|
1-19 |
9000 |
108 |
2.5 |
|
|
4-Φ16.5 |
|
|
88 |
112 |
14 |
78 |
165 |
89 |
25° |
535 |
70 |
H3 |
Ⅱ |
Φ47×140 |
| 1-20 |
9000 |
ISO-12667-T150 |
130 |
4-Φ13 |
150 |
|
|
|
16 |
78 |
165 |
89 |
25° |
535 |
70 |
H3 |
Ⅲ |
Φ47×140 |
||
|
1-21 |
9000 |
ISO-12667-T180 |
150 |
4-Φ15 |
180 |
|
|
|
16 |
78 |
165 |
89 |
25° |
535 |
70 |
H3 |
Ⅲ |
Φ47×140 |
||
说明:1.Tsmax:最大瞬时扭矩N.m;2.Lz:压缩后最小长度;3.La:长度赔偿量;4.Lz+La:最大事情长度;5.b1:耳孔同侧两孔距。
重型伸缩式传动轴结构参数图

重型伸缩式传动轴结构参数一
| Tsmax (N.m) |
A | h | h1 | B | n-ΦD | C | α | b1 | b2 | E | M | K | S | β | Lz | La | 结构 | 法兰 | 万向节尺寸 | |
| 3-1 | 10000 | ISO-12667-T150 | 130 | 4-Φ13 | 150 | 16 | 100 | 165 | 91 | 40° | 650 | 130 | H4 | Ⅰ | Φ50×135 | |||||
| 3-2 | 18000 | ISO-12667-T180 | 150 | 4-Φ15 | 180 | 14 | 88.5 | 188 | 102 | 30° | 630 | 130 | H4 | Ⅰ | Φ50×155 | |||||
| 3-3 | 16500 | ISO-12667-T150 | 130 | 4-Φ13 | 150 | 16 | 90 | 156 | 100 | 35° | 610 | 110 | H4 | Ⅰ | Φ52×133 | |||||
| 3-4 | 16500 | ISO-12667-T165 | 140 | 4-Φ13 | 165 | 16 | 90 | 156 | 100 | 35° | 610 | 110 | H4 | Ⅰ | Φ52×133 | |||||
| 3-5 | 16500 | ISO-12667-T180 | 150 | 4-Φ15 | 180 | 16 | 90 | 156 | 100 | 35° | 610 | 110 | H4 | Ⅰ | Φ52×133 | |||||
| 3-6 | 16500 | 90 | 3 | 130 | 8-Φ12.1 | 150 | 45° | 11 | 90 | 156 | 100 | 35° | 610 | 110 | H5 | Ⅱ | Φ52×133 | |||
| 3-7 | 16500 | 95 | 3 | 140 | 8-Φ16.1 | 165 | 45° | 12 | 90 | 156 | 92 | 35° | 610 | 110 | H5 | Ⅱ | Φ52×133 | |||
| 3-8 | 16500 | 110 | 3 | 155.5 | 8-Φ14.1 | 180 | 45° | 13 | 90 | 156 | 92 | 35° | 610 | 110 | H5 | Ⅱ | Φ52×133 | |||
| 3-9 | 16500 | 198 | 3 | 185 | 8-Φ10.1 | 203.5 | 45° | 9 | 87 | 156 | 92 | 35° | 610 | 110 | H5 | Ⅱ | Φ52×133 | |||
| 3-10 | 16500 | 132 | 3 | 155 | 8-Φ10.2 | 175 | 45° | 11 | 90 | 156 | 92 | 35° | 610 | 110 | H5 | Ⅱ | Φ52×133 | |||
| 3-11 | 16500 | 95 | 2.5 | 4-Φ16.3 | 112 | 88 | 14 | 78/90 | 156 | 92 | 35° | 610 | 110 | H5 | Ⅲ | Φ52×133 | ||||
| 3-12 | 21000 | ISO-12667-T155 | 130 | 4-Φ13 | 155 | 16 | 100 | 168 | 102 | 35° | 650 | 110 | H4 | Ⅰ | Φ57×144 | |||||
| 3-13 | 21000 | ISO-12667-T165 | 140 | 4-Φ13 | 165 | 16 | 100 | 168 | 102 | 35° | 650 | 110 | H4 | Ⅰ | Φ57×144 | |||||
| 3-14 | 21000 | ISO-12667-T180 | 150 | 4-Φ15 | 180 | 18 | 100 | 168 | 102 | 35° | 650 | 110 | H4 | Ⅰ | Φ57×144 | |||||
| 3-15 | 21000 | 95 | 3 | 140 | 8-Φ16.1 | 165 | 45° | 14 | 100 | 168 | 102 | 35° | 650 | 110 | H5 | Ⅱ | Φ57×144 | |||
| 3-16 | 21000 | 110 | 3 | 155.5 | 10-Φ16.1 | 180 | 45° | 14 | 100 | 168 | 102 | 35° | 650 | 110 | H5 | Ⅱ | Φ57×144 | |||
| 3-17 | 21000 | 197 | 4 | 184.15 | 16-Φ11 | 205 | 22.5° | 11 | 96 | 168 | 102 | 35° | 650 | 110 | H5 | Ⅱ | Φ57×144 | |||
说明:1.Tsmax:最大瞬时扭矩N.m;2.Lz:压缩后最小长度;3.La:长度赔偿量;4.Lz+La:最大事情长度;5.b1:耳孔同侧两孔距。
重型伸缩式传动轴结构参数二
| Tsmax (N.m) |
A | h | h1 | B | n-ΦD | C | α | E | M | K | S | β | Lz | La | 结构 | 法兰 | 万向节尺寸 | |
| 4-1 | 27000 | ISO-12667-T180 | 150 | 4-Φ15 | 180 | 18 | 100 | 178 | 110/120 | 25° | 700 | 140 | H4 | Ⅰ | Φ57×152 | |||
| 4-2 | 27000 | 95 | 3 | 140 | 8-Φ16.1 | 165 | 45° | 14 | 100 | 178 | 110/120 | 25° | 700 | 140 | H5 | Ⅱ | Φ57×152 | |
| 4-3 | 27000 | 110 | 3 | 155.5 | 10-Φ16.1 | 180 | 45° | 14 | 100 | 178 | 110/120 | 25° | 700 | 140 | H5 | Ⅱ | Φ57×152 | |
| 4-4 | 27000 | 197 | 2 | 184.15 | 12-Φ11 | 203.6 | 13 | 98 | 178 | 110/120 | 25° | 700 | 140 | H5 | Ⅳ | Φ57×152 | ||
| 4-5 | 27000 | 140 | 6 | 196 | 8-Φ16.2 | 225 | 45° | 18 | 101 | 178 | 110/120 | 25° | 700 | 140 | H5 | Ⅱ | Φ57×152 | |
| 4-6 | 27000 | 240 | 4 | 220 | 8-Φ14.2 | 250 | 45° | 14 | 97 | 178 | 110/120 | 25° | 700 | 140 | H5 | Ⅴ | Φ57×152 | |
| 4-7 | 27000 | ISO-12667-T180 | 150 | 4-Φ15 | 180 | 18 | 100 | 178 | 110/120 | 25° | 700 | 110 | H5 | Ⅰ | Φ62×149 | |||
| 4-8 | 30000 | ISO-12667-T180 | 150 | 4-Φ15 | 180 | 18 | 102.5 | 195 | 130 | 28° | 700 | 120 | H4 | Ⅰ | Φ62×160 | |||
| 4-9 | 30000 | ISO-12667-T180 | 150 | 4-Φ15 | 180 | 18 | 100 | 185 | 120 | 25° | 710 | 140 | H4 | Ⅰ | Φ63.5×152 | |||
| 4-10 | 30000 | 140 | 6 | 196 | 8-Φ16.2 | 225 | 45° | 18 | 110 | 185 | 120 | ?25° | 710 | 140 | H5 | Ⅱ | Φ63.5×152 | |
| 4-11 | 30000 | 240 | 4 | 215 | 8-Φ14.2 | 250 | 45° | 14 | 185 | 120 | 25° | 710 | 140 | H5 | Ⅴ | Φ63.5×152 | ||
| 4-12 | 44000 | ISO-12667-T180 | 150 | 4-Φ15 | 180 | 18 | 100 | 198 | 140 | 22° | 710 | 140 | H4 | Ⅰ | Φ68×165(89) | |||
| 4-13 | 44000 | 140 | 6 | 196 | 8-Φ16.2 | 225 | 45° | 20 | 198 | 140 | 22° | 710 | 140 | H5 | Ⅱ | Φ68×165(89) | ||
| 4-14 | 44000 | 240 | 4 | 215 | 8-Φ14.2 | 250 | 45° | 16 | 198 | 140 | 22° | 710 | 140 | H5 | Ⅴ | Φ68×165(89) | ||
| 4-15 | 52500 | ISO-12667-T180 | 150 | 4-Φ15 | 180 | 19.5 | 113 | 210 | 152 | 25° | 790 | 130 | H4 | Ⅰ | Φ68×193(117) | |||
| 4-16 | 52500 | ISO-12667-T200 | 165 | 4-Φ15 | 200 | 19.5 | 113 | 210 | 152 | 25° | 790 | 130 | H4 | Ⅰ | Φ68×193(117) | |||
说明:1.Tsmax:最大瞬时扭矩N.m;2.Lz:压缩后最小长度;3.La:长度赔偿量;4.Lz+La:最大事情长度;5.b1:耳孔同侧两孔距。
版权所有:MGM美高梅(中国澳门)团体-macau 网站建设:中企动力 洛阳